
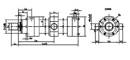
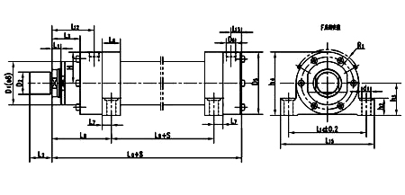
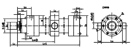
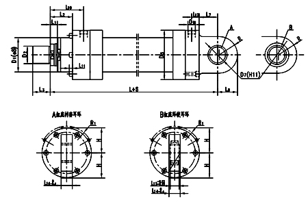
CD&CG series heavy duty hydraulic cylinder
CD series hydraulic cylinder is double acting differential cylinder of single piston, and CG series hydraulic cylinder is double acting constant speed cylinder of double piston rod. Their mounting type and dimensions are comply with ISO 3320, especially suitable for tough environment and heavy duty, it could by applied in the industry of steel, casting and machinery etc.
Both of these two series cylinders could be equipped with proximity switch or interior type position measuring sensor. The cylinder could output precise control signals at any position of selected stroke length, which make it suitable for procedure control of various of producing line.
Click here for ordering details >>
|